Переделка блока питания для ПК POWER MAN IW-P350 в блок питания для трансивера 13,8V 22А
| Дергаев Э.Ю. UA4NX, ua4nx (at) bk.ru http://www.kirov.ru/ |
Предыстория этой статьи: в Интернете нашлось много хвалебных откликов о переделке компьютерного БП POWER MAN IW-P350 в блок питания трансивера 13,8В 20А, после чего UA4NFK приобрел данный блок питания (на корпусе написано Power Man model NO: IW-P430J2-0 (Рис.1), но на плате IW-P350W (Рис.2), что наводит на мысли об изъятии «лишних» денег у российских покупателей). А вот с рекомендациями по переделке получился облом, в лучшем случае предлагали переделать за деньги. Пришлось разобраться и помочь.

Рис.1 – На корпусе написано Power Man model NO: IW-P430J2-0.

Рис. 2. . но на плате IW-P350W
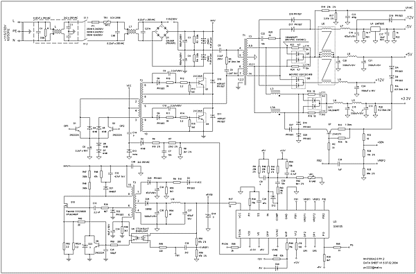
Найденная в интернете схема IW-P300A2-0 R1.2 DATA SHEET VER. 27.02.2004 от pv2222 (at) mail.ru процентов на 90 совпадала с реальным блоком питания, документация на процессор SQ6105 (на данной плате установлен полный аналог – IW1688) тоже нашлась, так что можно было начинать. После анализа схемы и документации на процессор, для получения тока 22-24А при напряжении 13,8V, было принято решение использовать 5 – вольтовый выпрямитель (как имеющий самую мощную обмотку трансформатора) с заменой двухполупериодной схемы выпрямителя на мостовую. Два недостающих диода в мост были взяты из освободившихся, от выпрямителей +3 и +12V. Дополнительно потребовался конденсатор 2200 мкФ на 16В и восемь резисторов RR1 – RR8.

Исходная принципиальная схема (щелкните сышью для увеличения)
Вот так все выглядит после переделки.

Доработанная принципиальная схема блока питания трансивера (щелкните сышью для увеличения)
Рис.3

Рис.4

Рис.5

Рис.6
Модификация принципиальной схемы
Перед тем как взяться за переделку хочу предупредить, что в процессе переделки можно легко попасть под опасное для жизни напряжение, а так же сжечь блок питания. Вы должны иметь соответствующую квалификацию.
1. Разбираем корпус БП, отключаем вентилятор, отпаиваем провод от платы идущий к розетке на корпусе 220В, убираем переключатель 110/220В и отпаиваем идущие от него провода (что бы случайно не переключить и не сжечь БП). Снимаем плату из корпуса.
2. Подпаиваем вилку со шнуром к площадкам на плате 220В. Плата должна быть полностью освобождена от металлического корпуса и лежать на диэлектрической поверхности. Находим на плате резистор R66, идущий от вывода 1 МС SG6105 (на данной плате установлен полный аналог – IW1688) и на второй его вывод подпаиваем резистор 330 Ом на корпус (RR1 на Рис 6). Этим мы имитируем постоянно нажатую кнопку включения компютера. Выключать и включать БП будем сетевым выключателем на корпусе БП. Подключаем нагрузку в виде лампочки 12В 0,5-2А в выходу БП +12В (черный – земля, желтые провода +12В), включаем БП в сеть, проверяем работоспособность БП – лампочка должна ярко гореть. Проверяем тестером напряжение на лампочке – примерно +12В.
3. Отключаем БП от сети 220В. Отключаем анализ процессором SQ6105 плюс 5 вольт – перерезаем дорожку идущую от вывода 3 SQ6105, а сам вывод 3 соединяем с выводом 20 перемычкой или резистором 100-220 Ом (RR5 на Рис 6). Все резисторы можно брать минимальной мощности 0,125 Вт или меньше. Включаем БП в сеть (для проверки правильности выполненных действий), лампочка должна гореть.
4. Отключаем БП от сети 220В. Отключаем анализ процессором SQ6105 плюс 3 вольта – перерезаем дорожку около вывода 2 и подпаиваем два резистора, 3,3кОм от вывода 2 на корпус (RR7 на Рис 6), 1,5кОм от вывода 2 на вывод 20 (RR6 на Рис 6). Включаем БП в сеть, если не включается, надо подобрать резисторы более точно, что бы получить на выводе 2 +3,3В.
5. Отключаем БП от сети 220В. Отключаем анализ процессором SQ6105 минус 5 и 12 вольт – выпаиваем R44 (около вывода 6), а сам вывод 6 соединяем с корпусом через резистор 33кОм (точнее 32,1кОм) (RR8 на Рис 5). Включаем БП в сеть, если не включается, надо подобрать резистор более точно.
6. Отключаем БП от сети 220В. Выпаиваем лишние детали – L3, L3A, L4, L5, C15, C12, R20, R18, R19, C11, C12, Q11, D27, D18, D28, Q7, R33, R34, RC, C28, R29, R32, RA, DA, D8, Q6, L9, C20, C21, D16, D17, L7, C16, C17, U1, D19, R41, R64, C42. Вместо С20, С21 ставим 1500 (2200) мкФ на 16В (один выпаянный, другой надо купить).
7. Выпаянные диодные сборки прикручиваем к радиатору через изолирующие теплопроводные прокладки (Рис.3, Рис.4). Все аноды (крайние выводы сборок) соединяем вместе толстым красным проводом, откушенным с одного конца от вторичной обмотки Т1 – второй конец этого провода остается запаянным на старом месте, около земляных (черных) проводов идущих от БП. Катоды сборок (средние выводы) подключаем: один – к Т1 выводы 8,9 в отверстие от L3, второй – к Т1 выводы 10,11 в отверстие L3A (Рис.3, Рис.4). Заменяем R40 на 47 кОм (RR2 на Рис 6), VR1 ставим в среднее положение. Для питания схемы вентилятора (на схеме ее нет) перемыкаем дорожки +5В и +12В (Рис 7). Отпаиваем все лишние провода идущие от платы, оставляем только все красные (это сейчас +13,8В) (на фото эти провода поменяны на желтые), скручиваем или переплетаем их в один провод, и столько же проводов черных (это сейчас -13,8В), их тоже можно скрутить или сплести. Можно их заменить одним более толстым проводом, сечением не менее 6 квадрат.

Рис.7
8. Нагрузку (лампочку 12В 0,5-2А) подключаем к выходу БП – 13,8В. Включаем БП в сеть. Измеряем тестером напряжение на лампочке и аккуратно регулируем VR1 до требуемого значения. Для получения диапазона регулировки 12,0 – 13,97В пришлось запараллелить RR2 резистором RR3 1,0 МОм (RR3 на Рис 6).. Чтобы
9. Отключаем БП от сети 220В. Для получения отсечки по току 25-27А уменьшаем R8 запараллеливанием его резистором 6,2 кОм (RR4 на Рис 6). Переставляем вентилятор в корпусе наоборот (Рис.9), раньше он гнал воздух вовнутрь БП, сейчас будет выдувать наружу. Если будет шумно работать, можно понизить обороты включив в красный провод питания вентилятора диод или несколько полседовательно. Жалюзи на одной боковой стороне корпуса кусачками выкусываем через одну, для улучщение охлаждения (Рис.8). Плату прикручиваем в корпус, подпаиваем провода к вилке от платы 220В, присоединяем вентилятор, собираем корпус.

Рис.8

Рис.9
10. Проверяем на лампочку, если все нормально, выключаем и меняем нагрузку на 0,45 Ом. Я брал около 21 метра сдвоенного полевика – каждый провод около 0,9 Ом. Моток полевика опускал в ведро воды. Контролировал ток через амперметр на 30 ампер.
11. На токе 22А за час работы ведро воды заметно потеплеет. Если через час все работает, есть надежда на долговременную и безотказную работу БП! Остается защитить его от перенапряжений в сети 220В и поставить тиристорную защиту от перенапряжения на выходе БП, хотя последнее очень маловероятно.
В заключении несколько положительных моментов: напряжение 13,8В на плате падает под нагрузкой 22А на 0,03 В, очень слабо греется Т1, Т6, сильнее радиатор с диодным мостом. После переделки остаются защиты: по току 25-27А, по напряжению – при падении меньше 12В, по превышению больше 15В, по перегреву радиатора с диодным мостом.
Источник: http://rg-gaming.ru/kompjutery/blok-pitanija-iw-isp350j2-jel-shema
Переделка блока питания для ПК POWER MAN IW-P350 в блок питания для трансивера 13,8V 22А
Предыстория этой статьи: в Интернете нашлось много хвалебных откликов о переделке компьютерного БП POWER MAN IW-P350 в блок питания трансивера 13,8В 20А, после чего UA4NFK приобрел данный блок питания (на корпусе написано Power Man model NO: IW-P430J2-0 (Рис.1), но на плате IW-P350W (Рис.2), что наводит на мысли об изъятии «лишних» денег у российских покупателей). А вот с рекомендациями по переделке получился облом, в лучшем случае предлагали переделать за деньги. Пришлось разобраться и помочь.

Рис.1 — На корпусе написано Power Man model NO: IW-P430J2-0…

Рис. 2. …но на плате IW-P350W
Найденная в интернете схема IW-P300A2-0 R1.2 DATA SHEET VER. 27.02.2004 от pv2222 (at) mail.ru процентов на 90 совпадала с реальным блоком питания, документация на процессор SQ6105 (на данной плате установлен полный аналог — IW1688) тоже нашлась, так что можно было начинать. После анализа схемы и документации на процессор, для получения тока 22-24А при напряжении 13,8V, было принято решение использовать 5 — вольтовый выпрямитель (как имеющий самую мощную обмотку трансформатора) с заменой двухполупериодной схемы выпрямителя на мостовую. Два недостающих диода в мост были взяты из освободившихся, от выпрямителей +3 и +12V. Дополнительно потребовался конденсатор 2200 мкФ на 16В и восемь резисторов RR1 — RR8.

Исходная принципиальная схема (щелкните сышью для увеличения)
Вот так все выглядит после переделки.

Доработанная принципиальная схема блока питания трансивера (щелкните сышью для увеличения)

Рис.3

Рис.4

Рис.5

Рис.6
Модификация принципиальной схемы
Перед тем как взяться за переделку хочу предупредить, что в процессе переделки можно легко попасть под опасное для жизни напряжение, а так же сжечь блок питания. Вы должны иметь соответствующую квалификацию.
1. Разбираем корпус БП, отключаем вентилятор, отпаиваем провод от платы идущий к розетке на корпусе 220В, убираем переключатель 110/220В и отпаиваем идущие от него провода (что бы случайно не переключить и не сжечь БП). Снимаем плату из корпуса.
2. Подпаиваем вилку со шнуром к площадкам на плате 220В. Плата должна быть полностью освобождена от металлического корпуса и лежать на диэлектрической поверхности. Находим на плате резистор R66, идущий от вывода 1 МС SG6105 (на данной плате установлен полный аналог — IW1688) и на второй его вывод подпаиваем резистор 330 Ом на корпус (RR1 на Рис 6). Этим мы имитируем постоянно нажатую кнопку включения компютера. Выключать и включать БП будем сетевым выключателем на корпусе БП. Подключаем нагрузку в виде лампочки 12В 0,5-2А в выходу БП +12В (черный — земля, желтые провода +12В), включаем БП в сеть, проверяем работоспособность БП — лампочка должна ярко гореть. Проверяем тестером напряжение на лампочке — примерно +12В.
3. Отключаем БП от сети 220В. Отключаем анализ процессором SQ6105 плюс 5 вольт — перерезаем дорожку идущую от вывода 3 SQ6105, а сам вывод 3 соединяем с выводом 20 перемычкой или резистором 100-220 Ом (RR5 на Рис 6). Все резисторы можно брать минимальной мощности 0,125 Вт или меньше. Включаем БП в сеть (для проверки правильности выполненных действий), лампочка должна гореть.
4. Отключаем БП от сети 220В. Отключаем анализ процессором SQ6105 плюс 3 вольта — перерезаем дорожку около вывода 2 и подпаиваем два резистора, 3,3кОм от вывода 2 на корпус (RR7 на Рис 6), 1,5кОм от вывода 2 на вывод 20 (RR6 на Рис 6). Включаем БП в сеть, если не включается, надо подобрать резисторы более точно, что бы получить на выводе 2 +3,3В.
5. Отключаем БП от сети 220В. Отключаем анализ процессором SQ6105 минус 5 и 12 вольт — выпаиваем R44 (около вывода 6), а сам вывод 6 соединяем с корпусом через резистор 33кОм (точнее 32,1кОм) (RR8 на Рис 5). Включаем БП в сеть, если не включается, надо подобрать резистор более точно.
6. Отключаем БП от сети 220В. Выпаиваем лишние детали — L3, L3A, L4, L5, C15, C12, R20, R18, R19, C11, C12, Q11, D27, D18, D28, Q7, R33, R34, RC, C28, R29, R32, RA, DA, D8, Q6, L9, C20, C21, D16, D17, L7, C16, C17, U1, D19, R41, R64, C42. Вместо С20, С21 ставим 1500 (2200) мкФ на 16В (один выпаянный, другой надо купить).
7. Выпаянные диодные сборки прикручиваем к радиатору через изолирующие теплопроводные прокладки (Рис.3, Рис.4). Все аноды (крайние выводы сборок) соединяем вместе толстым красным проводом, откушенным с одного конца от вторичной обмотки Т1 — второй конец этого провода остается запаянным на старом месте, около земляных (черных) проводов идущих от БП. Катоды сборок (средние выводы) подключаем: один — к Т1 выводы 8,9 в отверстие от L3, второй — к Т1 выводы 10,11 в отверстие L3A (Рис.3, Рис.4). Заменяем R40 на 47 кОм (RR2 на Рис 6), VR1 ставим в среднее положение. Для питания схемы вентилятора (на схеме ее нет) перемыкаем дорожки +5В и +12В (Рис 7). Отпаиваем все лишние провода идущие от платы, оставляем только все красные (это сейчас +13,8В) (на фото эти провода поменяны на желтые), скручиваем или переплетаем их в один провод, и столько же проводов черных (это сейчас -13,8В), их тоже можно скрутить или сплести. Можно их заменить одним более толстым проводом, сечением не менее 6 квадрат.

Рис.7
8. Нагрузку (лампочку 12В 0,5-2А) подключаем к выходу БП — 13,8В. Включаем БП в сеть. Измеряем тестером напряжение на лампочке и аккуратно регулируем VR1 до требуемого значения. Для получения диапазона регулировки 12,0 — 13,97В пришлось запараллелить RR2 резистором RR3 1,0 МОм (RR3 на Рис 6).. Чтобы
9. Отключаем БП от сети 220В. Для получения отсечки по току 25-27А уменьшаем R8 запараллеливанием его резистором 6,2 кОм (RR4 на Рис 6). Переставляем вентилятор в корпусе наоборот (Рис.9), раньше он гнал воздух вовнутрь БП, сейчас будет выдувать наружу. Если будет шумно работать, можно понизить обороты включив в красный провод питания вентилятора диод или несколько полседовательно. Жалюзи на одной боковой стороне корпуса кусачками выкусываем через одну, для улучщение охлаждения (Рис.8). Плату прикручиваем в корпус, подпаиваем провода к вилке от платы 220В, присоединяем вентилятор, собираем корпус.

Рис.8

Рис.9
10. Проверяем на лампочку, если все нормально, выключаем и меняем нагрузку на 0,45 Ом. Я брал около 21 метра сдвоенного полевика — каждый провод около 0,9 Ом. Моток полевика опускал в ведро воды. Контролировал ток через амперметр на 30 ампер.
11. На токе 22А за час работы ведро воды заметно потеплеет. Если через час все работает, есть надежда на долговременную и безотказную работу БП! Остается защитить его от перенапряжений в сети 220В и поставить тиристорную защиту от перенапряжения на выходе БП, хотя последнее очень маловероятно.
В заключении несколько положительных моментов: напряжение 13,8В на плате падает под нагрузкой 22А на 0,03 В, очень слабо греется Т1, Т6, сильнее радиатор с диодным мостом. После переделки остаются защиты: по току 25-27А, по напряжению — при падении меньше 12В, по превышению больше 15В, по перегреву радиатора с диодным мостом.
- Доработанная принципиальная схема блока питания трансивера
- Datasheet на стабилизатор SQ6105 (полный аналог — IW1688)
Источник: http://qrz.ru/schemes/contribute/power/ua4nx/